24h Hotline 01803-588100 (9ct/Min)

PR 2.058 WINKEL Präzisions-Radiallager


Art.Nr. (L)
A00354667
Art.Nr. (H)
PR 2.058
EAN-Code
PR 2.058
Hersteller:
WINKEL

Verkaufsinformationen

Produktbeschreibung

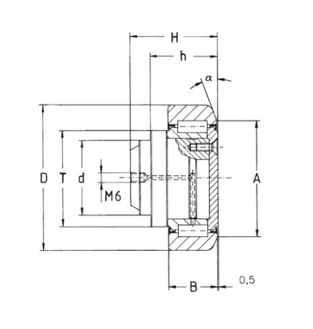
Präzisions-Radiallager. • Die Außenringe sind aus Einsatzstahl 20 CrMnTi gehärtet 58-62 HRC • Die Innenringe sind aus Stahl 100 Cr 6 gehärtet 58-62 HRC • Flachköpfige Wälzkörper aus Stahl DIN 100 Cr 6 gehärtet 60 – 65 HRC • Anschweißbolzen aus C20 (Werkstoffnr. 1.1151) • Nachschmierbarkeit für Rollen 4.054 – 4.064 • Einsatztemperatur der WINKEL-Rollen beträgt –20 °C bis +100°C • Hochtemperaturrollen können bis 250 °C Umgebungstemperatur eingesetzt werden. • Die max. Verfahrgeschwindigkeit der WINKEL-Rollen in Stahlausführung beträgt 1,5 m/s, Heavy-Duty bis max. 2 m/s. Für die Ausführung in VULKOLLAN® und POLYAMID beträgt die max. Verfahrgeschwindigkeit 6 m/s. • Das Spiel zwischen Axialrolle und Profilinnenseite sollte max. 0,5 mm betragen. • Bolzentoleranz –0,05 mm ֩• Rollen werden bei der Montage mit Schmierfett Grad 3 (z.B. Shell Gadus S2 V100 3) befettet

Optionen



Datenblatt


Aussendurchmesser in mm 92,8
Breite in mm 30
Kurzbezeichnung Radiallager
Barcode:
PR 2.058
Powered by DIA Connecting Software